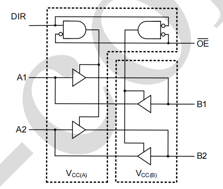
The AiP74AVC4T245 is an 4-bit, dual supply transceiver that enables bidirectional level translation. The device can be used as two 2-bit transceivers or as a 4-bit transceiver. It features four 2-bit input-output ports (nAn and nBn), a direction control input (nDIR), a output enable input (n ) and dual supply pins (VCC(A) and VCC(B)). Both VCC(A) and VCC(B) can be supplied at any voltage between 0.8V and 3.6V making the device suitable for translating between any of the low voltage nodes (0.8V, 1.2V, 1.5V, 1.8V, 2.5V and 3.3V). Pins nAn, n and nDIR are referenced to VCC(A) and pins nBn are referenced to VCC(B). A HIGH on nDIR allows transmission from nAn to nBn and a LOW on nDIR allows transmission from nBn to nAn. The output enable input (n ) can be used to disable the outputs so the buses are effectively isolated. The device is fully specified for partial power-down applications using IOFF. The IOFF circuitry disables the output, preventing any damaging backflow current through the device when it is powered down. In suspend mode when either VCC(A) or VCC(B) are at GND level, both nAn and nBn are in the high-impedance OFF-state.
邏輯、信號鏈芯片
交叉檢索
咨詢熱線