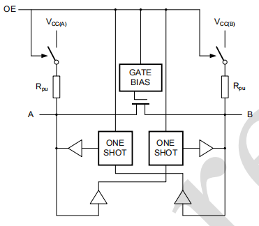
The AiPTS010X is a X-bit, dual supply translating transceiver with auto direction sensing, that enables bidirectional voltage level translation. It features two 1-bit input-output ports (A and B), one output enable input (OE) and two supply pins (VCC(A) and VCC(B)). VCC(A) can be supplied at any voltage between 1.65V and 3.6V. VCC(B) can be supplied at any voltage between 2.3V and 5.5V. This flexibility makes the device suitable for translating between any of the voltage nodes (1.8V, 2.5V, 3.3V and 5.0V). Pins A and OE are referenced to VCC(A) and pin B is referenced to VCC(B). A LOW level at pin OE causes the outputs to assume a high-impedance OFF-state. This device is fully specified for partial power-down applications using IOFF. The IOFF circuitry disables the output, preventing the damaging backflow current through the device when it is powered down.
邏輯、信號(hào)鏈芯片
交叉檢索
咨詢熱線