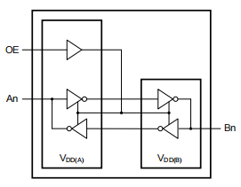
The AiPTB010X is an 8-bit, dual supply translating transceiver with auto direction sensing, that enables bidirectional voltage level translation. It features two 8-bit input-output ports (An and Bn), one output enable input (OE) and two supply pins (VCC(A) and VCC(B)). VCC(A) can be supplied at any voltage between 1.2V and 3.6V and VCC(B) can be supplied at any voltage between 1.65V and 5.5V, making the device suitable for translating between any of the low voltage nodes (1.2V, 1.5V, 1.8V, 2.5V, 3.3V and 5.0 V).Pins An and OE are referenced to VCC(A) and pins Bn are referenced to VCC(B). A LOW level at pin OE causes the outputs to assume a high-impedance OFF-state. This device is fully specified for partial power-down applications using IOFF. The IOFF circuitry disables the output, preventing the damaging backflow current through the device when it is powered down.
邏輯、信號鏈芯片
交叉檢索
咨詢熱線