主要特點
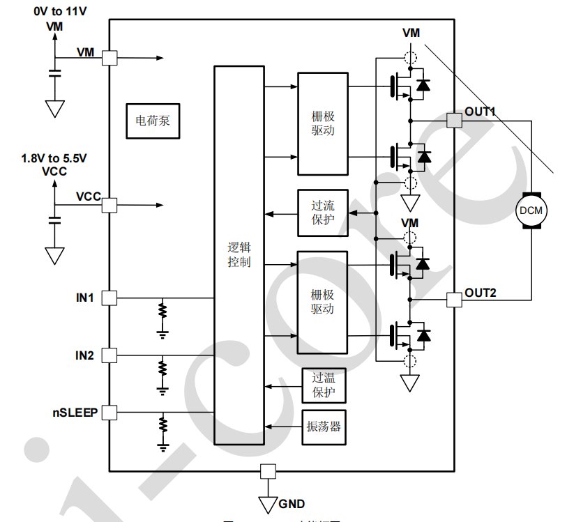
單通道H橋電機驅(qū)動器
低導(dǎo)通電阻:高側(cè)(HS)+低側(cè)(LS)330mΩ
1.8A最大驅(qū)動電流
獨立的電機和電源引腳
電機VM:0~11V
邏輯VCC:1.8~5.5V
脈寬調(diào)制(PWM)或PH/EN接口
具有225nA最大睡眠電流的低功耗睡眠模式
保護特性:VCC欠壓鎖定(UVLO)、過流保護(OCP)、熱關(guān)斷(TSD)
封裝形式:DFN8/SOP8